BVD-SM101TCPL
Забрать на месте (Tuuliku Tee 4)
Почтовый автомат (SmartPosti)
2,99€
Почтовый автомат (DPD Estonia)
6,10€
Метод оплаты:
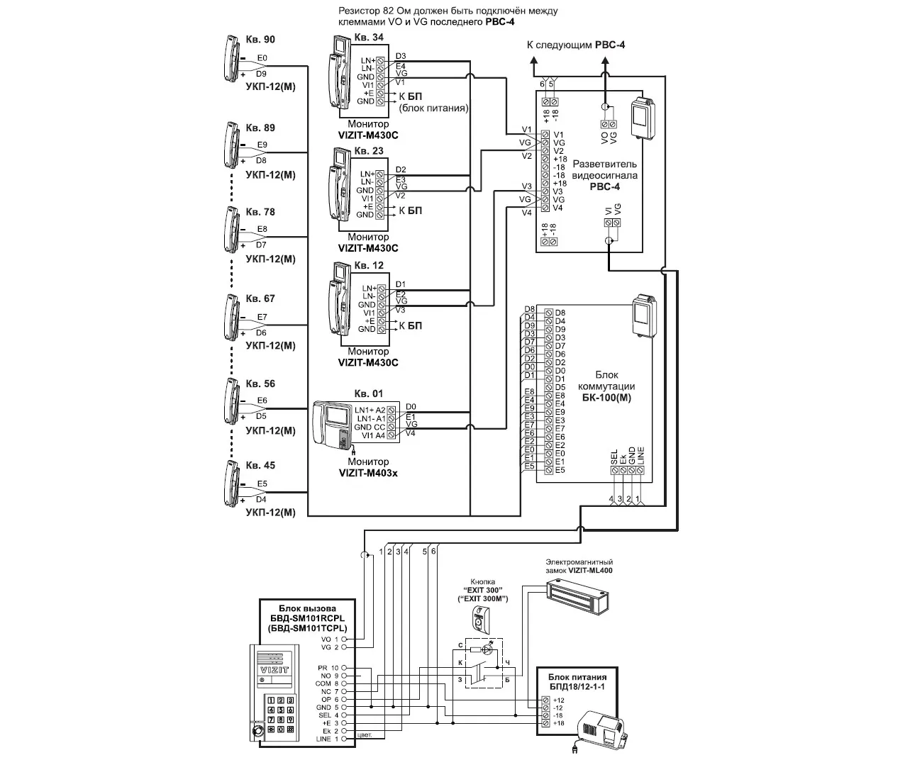
Блок вызова домофона БВД-SM101TCPL
- блок вызова БВД-SM101TCPL используется совместно с блоком питания БПД18/12-1-1 как составная часть многоквартирного видеодомофона VIZIT;
- количество абонентов — до 100;
- дуплексная громкоговорящая связь;
- память на 600 ключей VIZIT-TM;
- количество ключей на один номер квартиры — 6;
- возможность выключения вызова отдельных квартир;
- работа с пультом консьержа VIZIT;
- визуальный контроль обстановки перед блоком вызова;
- встроенная телекамера цветного изображения с функцией «День-ночь» (PAL, 700 tvl, 0 Lux, объектив PINHOLE 90°);
- ИК — подсветка для телекамеры;
- 4-х разрядный индикатор;
- программируемая продолжительность открывания замка — от 1 до 20 секунд;
- открывание замка входной двери:
— при нажатии кнопки открывания замка на устройстве квартирном переговорном УКП или мониторе во время связи;
— при наборе 4-х значного общего кода;
— при наборе 3-х значного индивидуального кода;
— при нажатии кнопки для выхода;
— ключами VIZIT-TM (DS1990A). В качестве ключей могут быть использованы только оригинальные идентификаторы iButton®
- напряжение питания, В: 22±4;
- потребляемый ток, А, не более: 0,3;
- габаритные размеры, мм, (ШхВхГ) — 86х170х25;
- вариант установки — накладной;
- диапазон рабочих температур, °С — от минус 30 до плюс 45.
- Инструкция по эксплуатации ( паспорт ) изделия приведены на странице дополнительной технической информации:
Блок вызова БВД-SM101TCPL используется в составе многоквартирных видеодомофонов VIZIT и обеспечивает двухстороннюю связь между посетителем и абонентом, визуальный контроль обстановки перед блоком вызова, а также открывание замка двери подъезда — из квартиры в режиме разговора нажатием кнопки на абонентском устройстве, ключами VIZIT-TM снаружи подъезда, нажатием кнопки EXIT изнутри подъезда. Для питания блока вызова и замка рекомендуется применять блок питания БПД18/12-1-1.
Рекомендуется применять электромагнитные замки VIZIT-МL240, VIZIT-МL300, VIZIT-МL400 или электромеханические замки с сопротивлением обмотки не менее 10 Ом.
Запрещается использовать электромагнитные замки с сопротивлением обмотки менее 20 Ом, а также не имеющие цепей размагничивания.
Для выхода из помещения (при использовании электромагнитного замка) рекомендуется использовать кнопки ЕХIT 300М, EXIT 500, имеющие цепи аварийного управления электромагнитным замком.
Для подключения абонентских устройств VIZIT к подъездной линии домофона применяются блоки коммутации. Для подключения УКП возможно применение блоков коммутации БК-4(М), БК-10, БК-30(М), БК-100(М). Для подключения мониторов VIZIT совместно с перечисленными блоками коммутации можно использовать разветвитель видеосигнала РВС-4 или использовать блоки коммутации со встроенным разветвителем видеосигнала БК-4МV. Возможно комбинированное использование разных типов блоков коммутации.
Для установки блока и дополнительной защиты от климатических воздействий рекомендуется использовать монтажный комплект МК-341 (козырек).
| Брэнд | Vizit |
|---|





