
OK K2
OK-K2 – Elektrivasturaud
€15.14 koos KM
Tulen ise järgi (Tuuliku Tee 4)
Pakiautomaat (SmartPosti)
2,99€
Pakiautomaat (DPD Estonia)
6,10€
Maksemeetodid:
Lamedad lehed (avatud ja suletud)
– valmistatud tsingitud või roostevabast terasest
– kasutatakse puidust ukseraamide jaoks (ümardatud nurgad) ja alumiiniumist, terasest või PVC profiilidest (ristkülikukujulised nurgad)
– universaalsed mõõtmed – pikkus 85 mm kuni 250 mm
– 2 või 4 kinnitusavad
– tellimisel saab teha ka teiste mõõtudega lehti
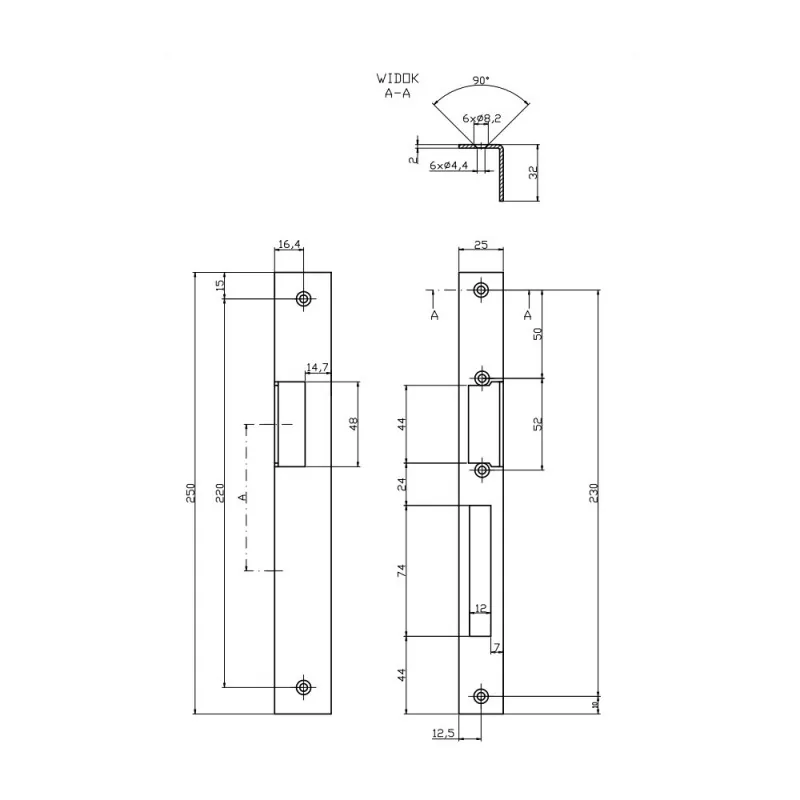
Nurkplekid
– valmistatud tsingitud terasest
– kasutatakse puidust ukseraamide (ümardatud nurgad) ja alumiiniumist, terasest või PVC profiilidest (ristkülikukujulised nurgad)
– universaalsed mõõdud – pikkus 150 mm kuni 250 mm
– 4 kinnitusava
– kohandatud Bira ja Hartte toodetele (nt SHD, XSHD, XS, S)
– võimalus eritellimusel teha muid furnituure
“U” tüüpi lehed
– valmistatud roostevabast terasest
– kasutatakse alumiiniumprofiilide jaoks
– universaalsed mõõdud – pikkus 200 mm laius 24 mm
– 2 kinnitusava
– kohandatud Hartte seeria toodetele (nt XS, XS-CF)
– saab ka teisi lehti teha tellimuse peale





